Abgas-Wärmerückgewinnung aus Abgas von Einbrennöfen, Haftwassertrockner und Pulvertrockner
Wärme-Energie aus Abgas von Trocknungskammern und Einbrennöfen
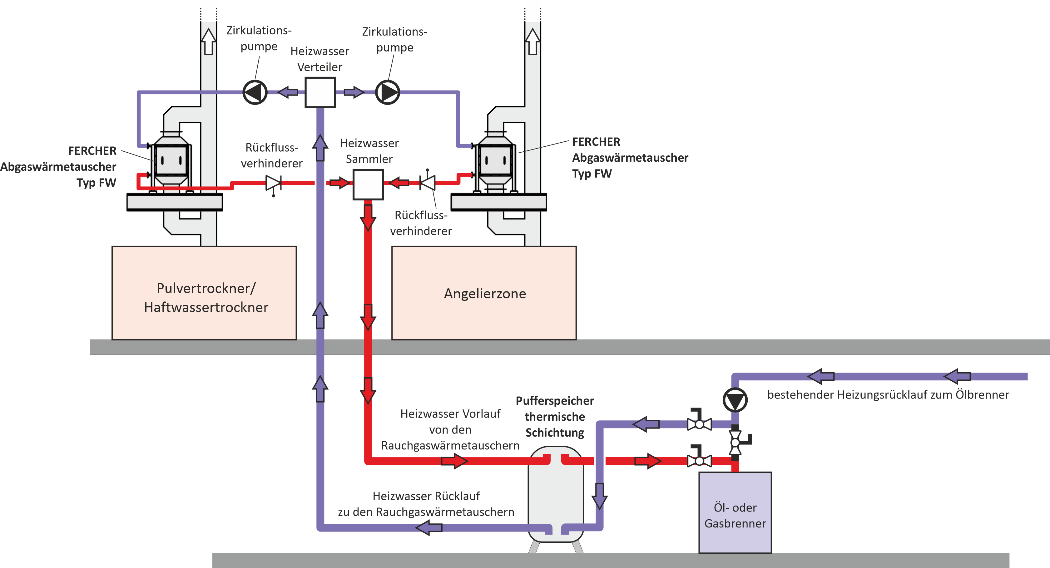
In einem typischen Pulverbeschichtungs-Betrieb fallen beträchtliche Mengen an heißem Abgas an. Das Abgas aus Trocknungskammern und Einbrennöfen kann mit dem FERCHER Wärmetauscher ohne Vorfilter genutzt werden.

Nutzung der Wärme im Betrieb
Die gewonnene Wärmeenergie kann vielseitig genutzt werden, z.B. zur Hallenheizung oder zur Vorwärmung von etwaigem Kesselspeisewasser. Die Integration in bestehende System ist sehr einfach, z.B. kann durch eine einfache Rücklaufvorwärmung der Primärenergieverbrauch reduziert werden. Eine komplexe Steuerung ist nicht notwendig, durch den vorgewärmten Heizungs, muss der vorhandene Öl/Gasbrenner einfach weniger aufwärmen. Für das bestehende System wirkt sich die Wärmerückgewinnung so aus, als würde der Verbraucher (Heizkörper) weniger Wärmeenergie verbrauchen.

Keine Vorfilter notwendig
FERCHER Abgaswärmetauscher wurden speziell für hochgradig verschmutzte Abgase entwickelt. Daher können sie direkt mit dem Abgas betrieben werden (ohne Vorfilter)


Schema einer typischen Anwendung


